¥Û¡¼¥à
¥í¥°¥¤¥ó
¿·µ¬ÅÐÏ¿
¥«¡¼¥È¤ÎÆâÍÆ
¤ª»ÙʧÊýË¡
¥Ð¥Ã¥¯¥Ê¥ó¥Ð¡¼
Ë¡Äêɽµ
¸Ä¿Í¾ðÊóÊݸî
¥Ø¥ë¥×
¤¤¤é¤Ã¤·¤ã¤¤¤Þ¤»
¥²¥¹¥ÈÍÍ
¿·Ã徦ÉÊ
¥Ô¥ó¥½¥±¥Ã¥È 803-93-072-...
IC TL494[DIP-16]
IC TL494[SOP-16]
IC UPC177C
ÅŸ»IC PQ05RF11
LED(ÀÖ¿§) TLR143
IC¥½¥±¥Ã¥È IC31-14-16
IC¥½¥±¥Ã¥È IC30-1803-S4
IC¥½¥±¥Ã¥È IC30-2204-G4
IC¥½¥±¥Ã¥È IC30-2003-G4
¾¦ÉÊʬÎà
¥Þ¥¹¥¯(1)
ÆÃ²ÁÉÊ
¨§¤½¤Î¾ÆÃ²ÁÉÊ(15)
¨§¥È¥é¥ó¥¸¥¹¥¿
¨¢¨§¥È¥é¥ó¥¸¥¹¥¿(24)
¨¢¨§¥Ç¥¸¥¿¥ë¥È¥é¥ó¥¸...(9)
¨¢¨¦FET(1)
¨§¥À¥¤¥ª¡¼¥É1(18)
¨§¥³¥ó¥Ç¥ó¥µ
¨¢¨§¥¿¥ó¥¿¥ë¥³¥ó¥Æ¡«...(4)
¨¢¨§¥Õ¥¤¥ë¥à(2)
¨¢¨§¥È¥ê¥Þ¥³¥ó¥Æ¡«¥ó...(2)
¨¢¨§ÅŲò¥³¥ó¥Ç¥ó¥µ(1)
¨¢¨¦¥Á¥å¡¼¥Ö¥é·¿ÅŲò...(0)
¨§ÆÃ¼ìȾƳÂÎ(3)
¨§LED(12)
¨§¥¹¥¤¥Ã¥Á
¨¢¨¦¥¿¥¯¥È¥¹¥¤¥Ã¥Á(1)
¨§IC
¨¢¨§¥ì¥®¥å¥ì¡¼¥¿(5)
¨¢¨¦IC(15)
¨§Äñ¹³
¨¢¨¦È¾¸ÇÄêÄñ¹³´ï(1)
¨§¥æ¥Ë¥Ð¡¼¥µ¥ë´ðÈÄ(67)
¨§£É£ÃÊÑ´¹´ðÈÄ(19)
¨§¥¨¥¢¥¾¡¼¥ë¡¦²½³ØÀ½ÉÊ(6)
¨§¥¸¥ã¥ó¥×¥ï¥¤¥ä(4)
¨§£Å¡Ý¥¯¥é¥ó¥×(4)
¨§¼£¶ñ¡¦¹©¶ñ(3)
¨§¥Ö¥ì¥Ã¥É¥Ü¡¼¥É(7)
¨¦¥¯¥ê¡¼¥Ë¥ó¥°¥Ä¡¼¥ë(1)
¥Î¡¼¥Ö¥ë̵Àþ
¨§N·Á¥³¥Í¥¯¥¿(24)
¨§S·Á¥³¥Í¥¯¥¿(2)
¨§BNC·Á¥³¥Í¥¯¥¿(22)
¨§TNC·Á¥³¥Í¥¯¥¿(9)
¨§NM·Á¥³¥Í¥¯¥¿(4)
¨§BNC75¦¸¥³¥Í¥¯¥¿(3)
¨¦NS¥³¥Í¥¯¥¿(0)
¹ñ²Èµ»Ç½¸¡Äê
¨§ÅŻҵ¡´ïÁÈΩ
¨¢¨§3µé(2)
¨¢¨§2µé(2)
¨¢¨¦1µé(2)
¨¦Ã±°ìÅùµé
¡¡¨¦ÅŻҲóÏ©Àܳ(3)
ȾƳÂÎ
¨§¥È¥é¥ó¥¸¥¹¥¿
¨¢¨§¥²¥ë¥Þ¥Ë¥¦¥à(23)
¨¢¨§2SA ¥·¥ê¡¼¥º(332)
¨¢¨§2SB¥·¥ê¡¼¥º(165)
¨¢¨§2SC¥·¥ê¡¼¥º(667)
¨¢¨§2SD¥·¥ê¡¼¥º(210)
¨¢¨§¶â°¡¡¥¿¥¤¥×
¨¢¨¢¨§¥¸¥ã¥ó¥Ü ¥¿...(8)
¨¢¨¢¨§TO¡Ý£³ ¥¿¥¤...(72)
¨¢¨¢¨¦TO¡Ý£¶£¶¡¡¥¿...(22)
¨¢¨§¥Ç¥¸¥¿¥ë¥È¥é¥ó¥¸...(11)
¨¢¨§³¤³°À½¥È¥é¥ó¥¸¥¹...(20)
¨¢¨§IGBT(2)
¨¢¨§¥È¥é¥ó¥¸¥¹¥¿¥¢¥ì...(98)
¨¢¨¦¤½¤Î¾¥È¥é¥ó¥¸¥¹...(1)
¨§FET
¨¢¨§2SK¥·¥ê¡¼¥º(122)
¨¢¨§2SJ¥·¥ê¡¼¥º(36)
¨¢¨§3SK¥·¥ê¡Ý¥º(3)
¨¢¨§³¤³° FET N-£ã£è(6)
¨¢¨§³¤³° FET P-CH(2)
¨¢¨§FET¥¢¥ì¡¼(1)
¨¢¨§MSPS MOS FET(3)
¨¢¨¦FET(1)
¨§¥À¥¤¥ª¡¼¥É
¨¢¨§¥²¥ë¥Þ¥Ë¥¦¥à(14)
¨¢¨§¾®·Á¥À¥¤¥ª¡¼¥É(21)
¨¢¨§¥Ð¥ê¥¥ã¥Ã¥×(6)
¨¢¨§CRD ÄêÅÅή¥À¥¤¥ª...(13)
¨¢¨§°ìÈÌÀ°Î®(111)
¨¢¨§FRD(102)
¨¢¨§SBD(49)
¨¢¨§TVS¥¢¥¥·¥¢¥ë(1)
¨¢¨§Ã±Áê¥Ö¥ê¥Ã¥¸(75)
¨¢¨§»°Áê¥Ö¥ê¥Ã¥¸(1)
¨¢¨§¹â°µ(1)
¨¢¨§¥»¥ó¥¿¡¼¥¿¥Ã¥×(6)
¨¢¨§¥»¥ó¥¿¡¼¥¿¥Ã¥×¡¡...(7)
¨¢¨§¥»¥ó¥¿¡¼¥¿¥Ã¥×¡¡...(9)
¨¢¨§²¹ÅÙÊä½þÄêÅ۵(2)
¨¢¨§¥¹¥¿¥Ã¥È·¿¡¡°ìÈÌ...(42)
¨¢¨§¥¹¥¿¥Ã¥È·¿¡¡FRD(0)
¨¢¨§¥¹¥¿¥Ã¥È·¿¡¡SBD(0)
¨¢¨§PIN(3)
¨¢¨§2ÁÇ»Ò(0)
¨¢¨§¥¢¥¥·¥ã¥ë¥À¥¤¥ª...(0)
¨¢¨§¥¢¥Ð¥é¥ó¥·¥§¥À¥¤...(6)
¨¢¨§ÆÃ¼ì¥À¥¤¥ª¡¼¥É(5)
¨¢¨§¾®·¿¥¹¥¤¥Ã¥¤¥Á¥ó...(28)
¨¢¨§¾®·¿¥·¥ç¥Ã¥È¥¡¼...(12)
¨¢¨§¥À¥¤¥¢¥Ã¥¯(2)
¨¢¨§¥À¥¤¥ª¡¼¥É(6)
¨¢¨¦¥À¥¤¥ª¡¼¥É¥¢¥ì¥¤(1)
¨§¥Ä¥§¥Ê¡¼¥À¥¤¥ª¡¼¥É¡Ê...
¨¢¨§200mW(1)
¨¢¨§250mW ¥Ä¥§¥Ê¡¼¥À...(46)
¨¢¨§300mw(1)
¨¢¨§400£íW¡¡¥Ä¥§¥Ê¡¼...(54)
¨¢¨§500£íW¡¡¥Ä¥§¥Ê¡¼...(205)
¨¢¨§1W ¥Ä¥§¥Ê¡¼¥À¥¤...(117)
¨¢¨§2.5W¡¡¥Ä¥§¥Ê¡¼¥À...(6)
¨¢¨§3W¡¡¥Ä¥§¥Ê¡¼¥À¥¤...(5)
¨¢¨§5W¡¡¥Ä¥§¥Ê¡¼¥À¥¤...(2)
¨¢¨§10W¡¡¥Ä¥§¥Ê¡¼¥À...(10)
¨¢¨¦²¹ÅÙÊä½þ¥Ä¥¨¥Ê¡¼...(0)
¨§¸÷¥Ç¥Ð¥¤¥¹
¨¢¨§¥Õ¥©¥È¥«¥Õ¡¬¥é(151)
¨¢¨§¥Õ¥©¥È¥»¥ó¥µ(2)
¨¢¨§¥Õ¥©¥È¥È¥é¥ó¥·¡«...(19)
¨¢¨§¥Õ¥©¥È¥À¥¤¥ª¡¼¥É(11)
¨¢¨§LED(270)
¨¢¨¦LED ¥»¥¯¡«¥á¥ó¥È(61)
¨§ I C
¨¢¨§¥ª¥Ú¥¢¥ó¥×(142)
¨¢¨§¥ê¥Ë¥¢(20)
¨¢¨§¥³¥ó¥Ñ¥ì¡¼¥¿(35)
¨¢¨§¥â¡¼¥¿¡¼¥É¥é¥¤¥Ö(9)
¨¢¨§ÅŸ»(246)
¨¢¨§¥Ñ¥ï¡¼¥¢¥ó¥×(3)
¨¢¨§Z80(6)
¨¢¨§LEDÍÑ µ £Ã(3)
¨¢¨§A/D ¥³¥ó¥Ð¡¼¥¿(12)
¨¢¨§D/A ¥³¥ó¥Ð¡¼¥¿(14)
¨¢¨§CPU(14)
¨¢¨§¥Þ¥¤¥³¥ó¼þÊգ̣Ó...(21)
¨¢¨§RAM(66)
¨¢¨§ROM(31)
¨¢¨§FLASH(2)
¨¢¨§£·£µ¥·¥ê¡¼¥º(90)
¨¢¨§7400¥·¥ê¡¼¥º
¨¢¨¢¨§7400޼ި-޽...(173)
¨¢¨¢¨§74LS޼ިް޽...(398)
¨¢¨¢¨§74ALS޼ިް...(89)
¨¢¨¢¨§74S޼ިް޽...(62)
¨¢¨¢¨§74AS޼ިް޽...(44)
¨¢¨¢¨¦74H¥·¥ê¡¼¥º(2)
¨¢¨§74F¥·¥ê¡¼¥º(116)
¨¢¨§74HC޼ިް޽ŽÞ(463)
¨¢¨§74HCT޼ިް޽ŽÞ(70)
¨¢¨§74AC޼ިް޽ŽÞ(94)
¨¢¨§74ACT޼ިް޽ŽÞ(67)
¨¢¨§74ABT޼ިް޽ŽÞ(9)
¨¢¨§40H޼ިް޽ŽÞ(34)
¨¢¨§MM74C¥·¥ê¡¼¥º(24)
¨¢¨§C-MOS
¨¢¨¢¨§C-MOS4000޼...(122)
¨¢¨¢¨§C-MOS4500޼...(30)
¨¢¨¢¨§C-MOS14000޼...(81)
¨¢¨¢¨§C-MOS14500޼...(63)
¨¢¨¢¨§74LCX¥·¥ê¡¼...(2)
¨¢¨¢¨¦74FCT¥·¥ê¡¼...(1)
¨¢¨§TC5000¥·¥ê¡¼¥º(13)
¨¢¨§TC9000¥·¥ê¡¼¥º(7)
¨¢¨§¥ï¥ó¥²¡¼¥È(1)
¨¢¨§PWM¥³¥ó¥È¥í¡¼¥é(4)
¨¢¨§ÆÃ¼ì£É£Ã(24)
¨¢¨§°ìÈÌIC(1078)
¨¢¨§74HCU¥·¥ê¡¼¥º(2)
¨¢¨§MPU(24)
¨¢¨§MCU(13)
¨¢¨§¥¢¥Ê¥í¥°¡¦¥Ç¥Ð¥¤...(94)
¨¢¨§¥â¥È¥í¡¼¥é¼ÒÀ½ÉÊ(26)
¨¢¨§¥Þ¥¥·¥à¼ÒÀ½IC(15)
¨¢¨§Burr-Brown¡ÊTI¡Ë...(14)
¨¢¨§RCA(25)
¨¢¨§PAL(13)
¨¢¨§PIC(5)
¨¢¨§¥¤¥ó¥¿¡¼¥Õ¥§¡¼¥¹(21)
¨¢¨§FIFO(2)
¨¢¨§EPLD(2)
¨¢¨¦PLD(14)
¨§SCR/¥È¥é¥¤¥¢¥Ã¥¯
¨¢¨§¥È¥é¥¤¥¢¥Ã¥¯(57)
¨¢¨§SCR(76)
¨¢¨¦GTO(2)
¨§PUT
¨¢¨¦PUT(5)
¨§ÆÃ¼ìȾƳÂÎ
¨¢¨§£ð£î£ð£î¡¡¥¹¥¤¥Ã...(0)
¨¢¨¦ÆÃ¼ìÉôÉÊ(1)
¨§¥Û¡¼¥ëÁÇ»Ò
¨¢¨¦¥Û¡¼¥ëÁÇ»Ò2(1)
¨§¥ì¡¼¥¶¡¼¥À¥¤¥ª¡¼¥É(9)
¨§IC¥×¥í¥Æ¥¯¥¿(5)
¨§³¤³°¥È¥é¥ó¥¸¥¹¥¿(4)
¨§SBS(1)
¨§CCD(4)
¨§SSR(¥½¥ê¥Ã¥É¥¹¥Æ¥¤¥È...(4)
¨¦¥µ¡¼¥¸¥¢¥Ö¥½¡¼¥Ð¡¼
¡¡¨§¥Ð¥ê¥¹¥¿¡¼(26)
¡¡¨¦¥µ¡¼¥¸¥¢¥Ö¥½¡¼¥Ð...(3)
ÅÅ»ÒÉôÉÊ
¨§¥ê¥ì¡¼
¨¢¨§ÉÙ»ÎÄ̹⸫Âô(2)
¨¢¨§Panasonic ¥Õ¥©¥È...(8)
¨¢¨¦¥ê¥ì1(3)
¨§¥½¥±¥Ã¥È
¨¢¨§¥ì¥Ð¡¼¼°(13)
¨¢¨§I C ¥½¥±¥Ã¥È(51)
¨¢¨§£Á£Ð¼Ò ¥ì¥»¥×¥¿...(2)
¨¢¨§¥Ô¥ó¥½¥±¥Ã¥È(3)
¨¢¨¦LED¥½¥±¥Ã¥È(2)
¨§¥Ø¥Ã¥À¡¼¥Ô¥ó
¨¢¨§£Á£Ð¼Ò ľÀþ·¿¥³...(2)
¨¢¨§£Á£Ð¼Ò ľ³Ñ·¿¥³...(2)
¨¢¨¦¥Ô¥ó¥Ø¥Ã¥À(7)
¨§¿å¾½È¯¿¶
¨¢¨§¿å¾½È¯¿¶´ï(5)
¨¢¨¦¿å¾½¿¶Æ°»Ò(1)
¨§¥µ¡¼¥ß¥¹¥¿
¨¢¨¦²¹ÅÙ¬Äê(3)
¨§Ã¼»Ò(2)
¨§¥³¥¢
¨¢¨¦¥Õ¥§¥é¥¤¥È¥³¥¢(1)
¨§¥¯¥é¥ó¥×¥Õ¥¤¥ë¥¿¡¼(1)
¨§Äñ¹³¥¢¥ì¡¼
¨¢¨§898-1¥·¥ê¡¼¥º(14)
¨¢¨§898-3¥·¥ê¡¼¥º(18)
¨¢¨§899-1¥·¥ê¡¼¥º(15)
¨¢¨§899-3¥·¥ê¡¼¥º(19)
¨¢¨§898-5¥·¥ê¡¼¥º(2)
¨¢¨¦899-5¥·¥ê¡¼¥º(2)
¨§¥¬¥¤¥É¥ì¡Ý¥ë(5)
¨§Ž¾Ž×ŽÐޝޏŽÌ޲ŽÙŽÀ(4)
¨§¥Ç¥£¥ì¥¤¥é¥¤¥ó(4)
¨§Àä±ï¥·¡¼¥È(1)
¨§Äñ¹³
¨¢¨§¥µ¡¼¥á¥Ã¥È¥È¥ê¥Þ(4)
¨¢¨§¥½¥ê¥Ã¥ÉÄñ¹³(0)
¨¢¨§¥«¡¼¥Ü¥óÄñ¹³(0)
¨¢¨§¶â°ÈéËìÄñ¹³(0)
¨¢¨§»À²½¶â°ÈéËìÄñ¹³(0)
¨¢¨§¥»¥á¥ó¥ÈÄñ¹³(0)
¨¢¨§¥Û¡¼¥í¡¼Äñ¹³(0)
¨¢¨¦²ÄÊÑÄñ¹³(1)
¨§Ä¶²»ÇÈ¥»¥ó¥µ(2)
¨§¥¤¥ó¥À¥¯¥¿¡¢¥³¥¤¥ë(1)
¨§¥³¥ó¥Ç¥ó¥µ
¨¢¨§¥¢¥ë¥ßÅŲò¥³¥ó¥Ç...(0)
¨¢¨§¥¿¥ó¥¿¥ë¥³¥ó¥Ç¥ó...(0)
¨¢¨§¥Õ¥£¥ë¥à¥³¥ó¥Ç¥ó...(2)
¨¢¨§¥»¥é¥ß¥Ã¥¯¥³¥ó¥Ç...(2)
¨¢¨§¥¹¥Á¥í¡¼¥ë¥³¥ó¥Ç...(0)
¨¢¨¦¥Þ¥¤¥«¥³¥ó¥Ç¥ó¥µ(0)
¨¦¤½¤Î¾(1)
Åŵ¤ÉôÉÊ
¨¦¥¹¥¤¥Ã¥Á(1)
µ¡³£¹©¶ñÅźà
¨§¥Ï¥ó¥À(3)
¨¦´ðÈÄ(5)
ÅŸ»
¨§TDK
¨¢¨§¥¹¥¤¥Ã¥Á¥ó¥°(0)
¨¢¨§DC-DC¥³¥ó¥Ð¡¼¥¿(2)
¨¢¨¦DC/DC¥¤¥ó¥Ð¡¼¥¿...(0)
¨¦COSEL
¡¡¨¦¥¹¥¤¥Ã¥Á¥ó¥°(3)
ÊüÇ®´ï
¨§¹õºêÀ½ºî½ê(12)
¨§¥«¥â¥ó(1)
¨§¤½¤Î¾(3)
¨¦LEX(3)
޶ްŽÄŽÞ޴ޝ޼ŽÞŽºŽÈޏŽÀ(25)
¥µ¥ó¥Ï¥ä¥È
¨§¼£¶ñ¡¦¹©¶ñ
¨¢¨§¥Ô¥ó¤½¤í¤Ã¤¿(1)
¨¢¨§ICÁÞÆþ¼£¶ñ(2)
¨¢¨¦IC°ú¤È´¤¼£¶ñ(4)
¨§¶µ°é¼Â½¬ÍÑ
¨¢¨§¥Ö¥ì¥Ã¥È¥Ü¡¼¥É(4)
¨¢¨§¥¸¥ã¥ó¥×¥ï¥¤¥ä¥...(1)
¨¢¨¦¥¸¥ã¥ó¥×¥ï¥¤¥ä(0)
¨§¥æ¥Ë¥Ð¡¼¥µ¥ë´ðÈÄ
¨¢¨§´ðÈÄ(5)
¨¢¨§ÊÑ´¹´ðÈÄ(1)
¨¢¨¦LED(0)
¨§¥¨¥¢¥¾¡¼¥ë¡¦²½³ØÀ½ÉÊ
¨¢¨§ÀÜÅÀÉü³èºÞ(0)
¨¢¨§°ìÈÌÍÑÀö¾ôºÞ(1)
¨¢¨¦¤½¤Î¾(1)
¨§¥¤¡¼¥¯¥é¥ó¥×
¨¢¨¦e-clamp(6)
¨¦¥¸¥ç¡¼¥³¥Í¥¯¥¿¡¼(9)
¥ª¥à¥í¥ó
¨§¥ê¥ì¡¼
¨¢¨§MOS FET ¥ê¥ì¡¼(0)
¨¢¨¦°ìÈÌ ¥ê¥ì¡¼(1)
¨¦¥¹¥¤¥Ã¥Á
¡¡¨¦¥¿¥¯¥È¥¹¥¤¥Ã¥Á(0)
¥Ë¥Ç¥Ã¥¯(µì¥Õ¥¸¥½¥¯)
¨§SW
¨¢¨§2¶Ë¡¡¥¹¥¤¥Ã¥Á(1)
¨¢¨¦4¶ËÁÐÅê/4P pole(0)
¨§DIP޽Ž×޲ŽÄŽÞSW(47)
¨§¥í¡¼¥¿¥ê¡¼SW(17)
¨§¸¡½ÐSW(0)
¨§¥È¥°¥ëSW(236)
¨§¥í¡¼¥¿¥ê¡¼¥³¡¼¥ÉSW(19)
¨§¾È¸÷¼°²¡¥Ü¥¿¥óSW(79)
¨§¥í¥Ã¥«¡¼SW(70)
¨§¥ì¥Ð¡¼¡¦¥í¥Ã¥«¡¼SW(41)
¨§¥¹¥é¥¤¥ÉSW(76)
¨§¥¡¼SW(8)
¨§¥¿¥¯¥Æ¥£¡¼¥ëSW¥¿¥¯¥Æ...(9)
¨§²¡¥Ü¥¿¥óSW(114)
¨¦¥¢¥¯¥»¥µ¥ê¡¼(6)
ÍëÂкö(0)
ÂèÆó¼ïÅŵ¤¹©»ö»Î¡¡µ»Ç½»î...
¨§ÂèÆó¼ïÅŵ¤¹©»ö»Î¡¡µ»...(0)
¨¦HOZAN ÂèÆó¼ïÅŵ¤¹©»ö...(1)
Ê¡»³Ä̱¿¡¡¡ï£³£³£°¡¡´ØÅì...(1)
ÊÌÅÓ¼ê¿ôÎÁ(2)
¤½¤Î¾ºß¸ËÉÊ(3)
Âå°ú¼ê¿ôÎÁ(1)
¥¨¥ì¥¥Ã¥È(0)
¾¦ÉʰìÍ÷
¾ÜºÙ¸¡º÷
¾¦ÉÊʬÎà°ìÍ÷
ȾƳÂÎ
¥È¥é¥ó¥¸¥¹¥¿
2SD¥·¥ê¡¼¥º
¥È¥é¥ó¥¸¥¹¥¿ 2SD197A
¾¦ÉÊʬÎà°ìÍ÷
ȾƳÂÎ
¥È¥é¥ó¥¸¥¹¥¿
¶â°¡¡¥¿¥¤¥×
¥¸¥ã¥ó¥Ü ¥¿¥¤¥×
¥È¥é¥ó¥¸¥¹¥¿ 2SD197A
¾¦ÉÊ̾¡§
¥È¥é¥ó¥¸¥¹¥¿ 2SD197A
¥á¡¼¥«¡¼·¿ÈÖ¡§
2SD197A
²Á³Ê¡§
2,750±ß¡ÊËÜÂβÁ³Ê 2,500±ß¡¢ÀÇ 250±ß¡Ë
¥Ý¥¤¥ó¥È´Ô¸µ¡§
1%
Á÷ÎÁ¡§
ÊÌÅÓ
ºß¸Ë¿ô¡§
69
2sd197a
¥á¡¼¥«Ì¾¡¡¡¡¡¡
ÉÙ»ÎÅŵ¡
·¿¡¡ÈÖ¡¡
2SD197A
·Á¡¡¾õ¡¡
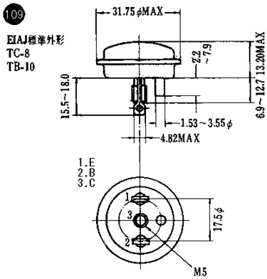
TC-8
µ¬¡¡³Ê¡¡
Vcbo=130V,IC=10A,Pc=150W
¾¦ÉÊÀâÌÀ
¥¹¥¤¥Ã¥Á¥ó¥¯¡«¡¦Äã¼þÇÈÅÅÎÏÁýÉýÍÑ
¢¨¼Ì¿¿¤Ï¥¤¥á¡¼¥¸¤Ç¤¹¡£
¢¨ºß¸Ë¿ôÎ̤ÏÊÑÆ°¤·¤Þ¤¹¤Î¤Ç¡¢Ìܰ¤Ȥ·¤Æ¤´³Îǧ¤¯¤À¤µ¤¤¡£